Plastik Enjeksiyon Makinaları sektöründe bilgi birikimine, uluslararası iş deneyimi ve disiplinine sahip, ilgili standartların, teknik şartnamelerin, yasal ve idari mevzuatların gerekliliklerini yerine getiren merkez kadrosu ile kaliteli ve ekonomik hizmet sunarak müşteri beklentilerine eksiksiz cevap vermektir.

SONLY FIXED PUMP SERIES
|
SPECIFICATIONS |
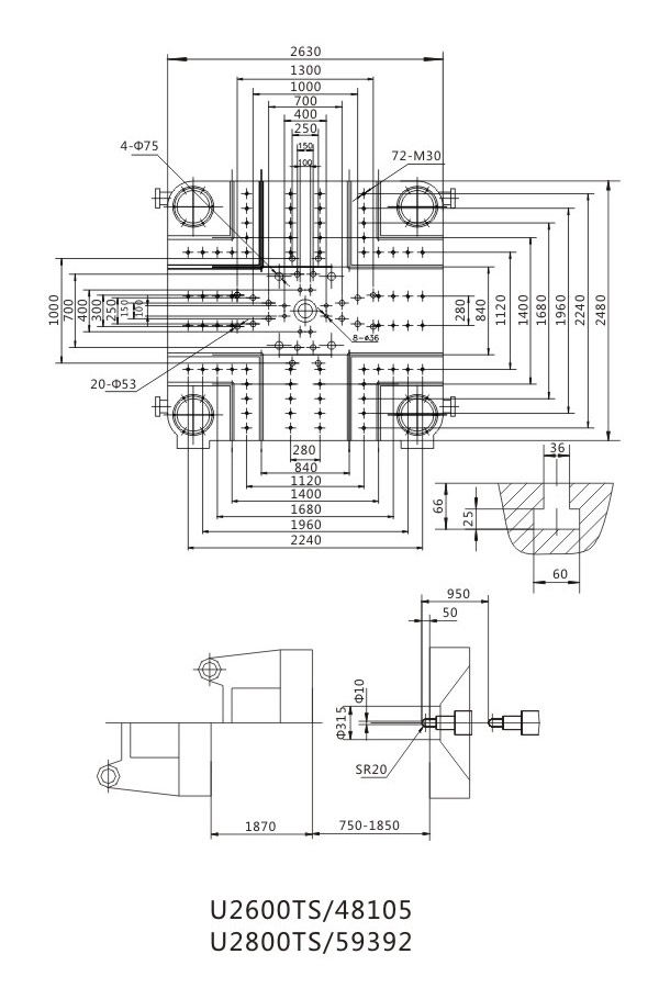
U2600TS |
|
|
INTERNATIONALLY RECOGNIZED MODEL |
48105 |
|
|
INJECTION UNIT |
A |
|
|
INJECTION UNIT |
||
|
SCREW DIAMETER |
mm |
170 |
|
SCREW L/D RATIO |
L/D |
23.9 |
|
SHOT VOLUME |
cm3 |
26102 |
|
INJECTION PRESSURE |
Mpa |
184.3 |
|
SCREW SPEED |
rpm |
70 |
|
SHOT WEIGHT |
g |
23753 |
|
SHOT WEIGHT |
oz |
837.863 |
|
CLAMPING UNIT |
||
|
CLAMPING FORCE |
Kn |
26000 |
|
TOGGLE STROKE |
mm |
1870 |
|
SPACE BETWEEN TIE BARS |
mm |
1860*1710 |
|
MAX.MOULD HEIGHT |
mm |
1850 |
|
MIN.MOULD HEIGHT |
mm |
750 |
|
EJECTOR STROKE |
mm |
500 |
|
EJECTOR FORCE |
Kn |
565 |
|
EJECTOR NUMBER |
32+1 |
|
|
OTHERS |
||
|
DIE HOLE DIAMETER |
mm |
315 |
|
SYSTERM PRESSURE |
Mpa |
16 |
|
MOTOR POWER |
Kw |
220 |
|
HEATING POWER |
Kw |
180 |
|
OIL TANK CUBAGE |
L |
3800 |
|
MACHINE WEIGHT |
Ton |
43+133 |
|
BOUNDARY DIMENSION |
m |
9.5*3.3*4.2 13*3.4*3.55 |
|
SERVO DRIVER CAPACITY |
Kw |
55*4 |
HİSAR SAVUNMA, 1000m² kapalı bir alana sahip olup kurulduğu günden bu güne öncelikle müşteri memnuniyeti ve verimlilik odaklı üretimi benimsemiş ve bu sayede müşteri portföyünü her geçen gün genişleterek savunma sanayinde en iyi, en kaliteli ürün ve hizmeti sunarak güvenilir, üretken bir firma olma yolunda ilerlemektedir.
Plastik Enjeksiyon Makinaları sektöründe bilgi birikimine, uluslararası iş deneyimi ve disiplinine sahip, ilgili standartların, teknik şartnamelerin, yasal ve idari mevzuatların gerekliliklerini yerine getiren merkez kadrosu ile kaliteli ve ekonomik hizmet sunarak müşteri beklentilerine eksiksiz cevap vermektir.
İndirilebilir Dökümanlar
SONLY High Speed Catalog